








| 品牌:鑫科 | 型号:XKV | 加工定制:是 | ||||
| 类型:容积式 | 测量范围:. m3/h | 精度等级:0.5 | ||||
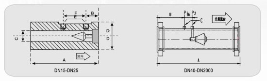
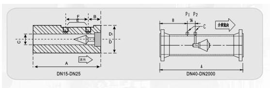
| 公称通径:DN15~DN3000 mm | 适用介质:气体 | 工作压力:1.0-10.5 MPa | ||||
| 工作温度:-200℃~+800 ℃ |
|
|||||||||
产品选型
|
型 号 |
说 明 |
|||||
|
XKV |
鑫科V锥流量计 |
|||||
|
|
代号 |
口径(mm) |
||||
|
|
15~3000 |
DN15~DN3000mm |
||||
|
|
|
各部件材料材质 |
||||
|
|
代码 |
锥体 |
钢管 |
法兰 |
||
|
|
A |
SS304 |
20# |
20# |
||
|
|
B |
SS304 |
15CrMo |
15CrMo |
||
|
|
C |
SS304 |
SS304 |
20# |
||
|
|
D |
SS304 |
SS304 |
SS304 |
||
|
|
E |
SS316L |
SS304 |
SS304 |
||
|
|
G |
SS316L |
SS316L |
SS316L |
||
|
|
# |
其它材质 |
||||
|
|
代号 |
介质 |
||||
|
|
1 |
液体 |
||||
|
|
2 |
气体 |
||||
|
|
3 |
蒸汽 |
||||
|
|
4 |
高温介质 |
||||
|
|
代号 |
补偿形式 |
||||
|
|
N |
不带压力、温度补偿 |
||||
|
|
Q |
带压力、温度补偿输出 |
||||
|
|
代号 |
连接形式 |
||||
|
|
L |
螺纹连接(适用于小口径) |
||||
|
|
W |
法兰连接 |
||||
|
|
代号 |
压力等级 |
||||
|
|
0 |
0.25MPa |
||||
|
|
1 |
0.6 MPa |
||||
|
|
2 |
1.0 MPa |
||||
|
|
3 |
1.6 MPa |
||||
|
|
4 |
2.5 MPa |
||||
|
|
5 |
4.0 MPa |
||||
|
|
6 |
6.3 MPa |
||||